走进集团

ABOUT GROUP

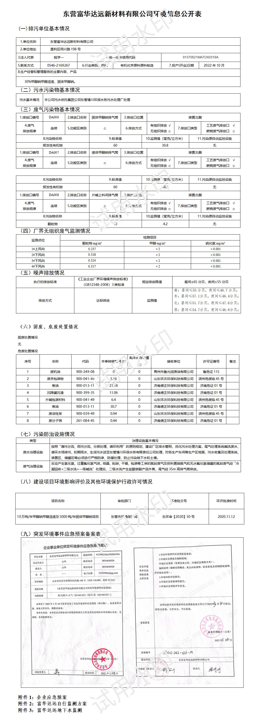
东营富华达远新材料有限公司环境信息公开表(2023年第二季度)

时间:2023-07-13 16:30:34 关注度:Loading...
分类:信息公开

上一篇:胜华新能源科技(东营)有限公司环境信息公开表(2023年第三季度)
下一篇:东营石大胜华新能源有限公司环境信息公开表(2023年第二季度)

联系我们

石大胜华新材料集团股份有限公司

办公室电话:+86 546 2169028

邮箱:shidashenghua@sinodmc.com
山东省东营市垦利区同兴路198号


jtgzhx.jpg

集团公众号    投诉举报

Copyright ◎ 2020 石大胜华新材料集团股份有限公司
版权所有 鲁ICP备17017352号-1
鲁公网安备 37052102000204号